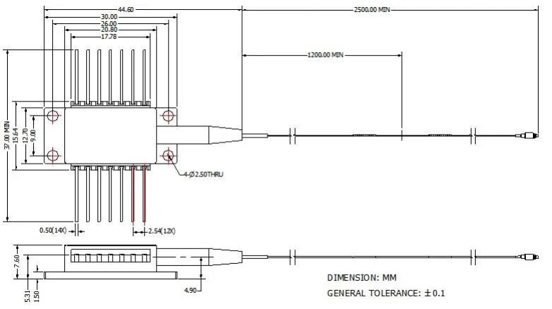
Мощный лазерный модуль с длиной волны 1653,7 нм имеет плоскую конструкцию с чипом на поднесущей. Высокий Силовой чип герметично запечатан в 14-контактный корпус типа «бабочка», не содержащий эпоксидной смолы и флюса, и оснащен термистор, термоэлектрический охладитель и контрольный диод для обеспечения высокого качества работы лазера. Лазерный диод BTF с длиной волны 1653 нм и мощностью 40 мВт для обнаружения газа метана сертифицирован Telcordia GR-468 и соответствует директивам RoHS.
Мощный лазерный модуль с длиной волны 1653,7 нм имеет плоскую конструкцию с чипом на поднесущей. Мощный чип герметично запечатан в 14-контактный корпус типа «бабочка», не содержащий эпоксидной смолы и флюса, и оснащен термистором, термоэлектрическим охладителем и контрольным диодом для обеспечения высокого качества работы лазера. Наши лазерные продукты сертифицированы Telcordia GR-468 и соответствуют директивам RoHS.
● Стандартный 14-контактный корпус типа «бабочка»;
● Встроенный ТЭП и оптический изолятор;
● Высокопроизводительный лазер с распределенной обратной связью (DFB) с многоквантовыми ямами (MQW).
● Производственные испытания пассивных компонентов обнаружения газа;
● Оптоволоконная система обнаружения газа;
● Лазерные источники.
| Параметр | Символ | Состояние | Мин. | Тип. | Макс. | Единица |
| Центральная длина волны | ЖК | Tl = 15 ~ 35 ℃ qu | 1652.7 | 1653.7 | 1654.7 | нм |
| Оптическая выходная мощность | После | CW | - | 40 | - | мВт |
| LD Пороговый ток | ИТХ | CW | - | 15 | 40 | мА |
| LD Прямой ток | Если | Pf = номинальная мощность | - | 300 | 400 | мА |
| Оптическая изоляция | - | -10 < ТК < +70 ℃ | 30 | - | - | дБ |
| Коэффициент подавления боковой моды | СМСР | CW | 35 | 40 | - | дБ |
| Отслеживайте скорость реагирования | Вакцинация | - | - | 1 | 20 | был / МВт |
| Следите за стабильностью отклика | - | - | - | - | 20% | - |
| Мониторинг темнового тока | Идентификатор | ВПД =5В | - | - | 50 | нет данных |
| ТЕС Ток | ИТЭК | Тслучай =75℃ | - | - | 2 | A |
| ТЭК Напряжение | ВТЭК | Тслучай =75℃ | - | - | 3.5 | V |
| Потребляемая мощность ТЭК | P | Цстг = 25 ℃ | - | - | 5 | W |
| Сопротивление термистора | Рт | Тслучай =75℃ | 9.5 | 10 | 10.5 | Ком |
| Константа термистора B | Бт | Цстг = 25 ℃ | - | 3900 | - | K |
| Дрейф длины волны (EOL) | △λ | Протестировано в течение 25 лет срока службы | - | - | ±0,1 | нм |
| Волна. Температурный коэффициент | Дл/Дт | Температура TEC от 15 ℃ до 35 ℃ | - | 0.09 | - | нм/℃ |
| Коэффициент тока длины волны | Дл/ДИ | - | - | 0.01 | - | НМ / в |

Все продукты были протестированы перед отправкой;
На всю продукцию предоставляется гарантия 1 год. (После гарантийного срока начала взиматься соответствующая плата за техническое обслуживание.)
Мы ценим ваш бизнес и предлагаем мгновенный возврат в течение 7 дней. (7 дней после получения товара);
Если товары, которые вы покупаете в нашем магазине, не имеют идеального качества, то есть не работают в электронном виде в соответствии со спецификациями производителя, просто верните их нам для замены или возврата денег;
Если товар неисправен, пожалуйста, сообщите нам в течение 3 дней с момента доставки;
Любые товары должны быть возвращены в их первоначальном состоянии, чтобы иметь право на возврат средств или замену;
Покупатель несет ответственность за все расходы по доставке.
Вопрос: Какова точность длины волны?
А: +/-0,5 нм.
Вопрос: Есть ли у вас другие версии выходной мощности?
А: 10 МВт, 15 МВт, 50 МВт.
Интегрированная перестраиваемая лазерная сборка узкой ширины линии C-диапазона ITLA
1550nm 40mW 200Khz Узкая ширина линии DFB Butterfly Лазерный диод
1550nm 40mW 600Khz DFB Butterfly Package Узкая линейная ширина лазерного диода
Лазерный диод-бабочка DFB с узкой шириной линии, 1550 нм, 50 мВт, 100 кГц
Коаксиальный лазерный диод с узкой шириной линии, 1550 нм, 2 мВт, 5 мВт
1550 нм 100 МВт 100 кГц узкая ширина линии DFB Лазерный диод BTF с SM/PM FiberCopyright @ 2020 Shenzhen Box Optronics Technology Co., Ltd. - Китайские оптоволоконные модули, производители лазеры из волокна, поставщики лазерных компонентов Все права защищены.