Лазерный диод DFB 1653 нм, 40 мВт для датчика метана. Воспринимать CH4 использует плоскую конструкцию с чипом на поднесущей. Мощный чип герметично запечатан в 14-контактный корпус типа «бабочка», не содержащий эпоксидной смолы и флюса, и оснащен термистором, термоэлектрическим охладителем и контрольным диодом для обеспечения высококачественной работы лазера. Наши лазерные продукты сертифицированы Telcordia GR-468 и соответствуют директивам RoHS.
Лазерный диод DFB 1653 нм, 40 мВт для датчика метана. Воспринимать CH4 использует плоскую конструкцию с чипом на поднесущей. Мощный чип герметично запечатан в 14-контактный корпус типа «бабочка», не содержащий эпоксидной смолы и флюса, и оснащен термистором, термоэлектрическим охладителем и контрольным диодом для обеспечения высокого качества работы лазера. Наши лазерные продукты сертифицированы Telcordia GR-468 и соответствуют директивам RoHS.
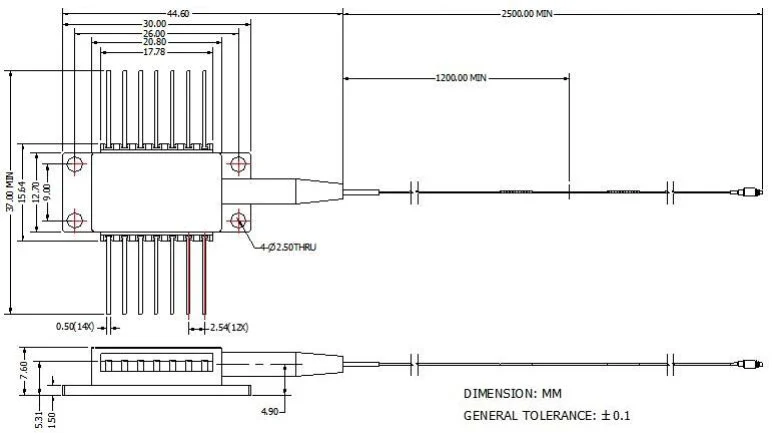
Стандартный 14-контактный корпус типа «бабочка»;
Встроенный ТЭП и оптический изолятор;
Высокопроизводительный лазер с многоквантовой ямой (MQW) и распределенной обратной связью (DFB).
Производственные испытания пассивных компонентов газоанализаторов;
Оптоволоконная система обнаружения газа;
Лазерные источники.
| Параметр | Символ | Состояние | Мин. | Тип. | Макс. | Единица |
| Центральная длина волны | λc | ТЛ=15~35℃ по часовой стрелке | 1652.7 | 1653.7 | 1654.7 | нм |
| Оптическая выходная мощность | По | CW | - | 40 | - | мВт |
| LD Пороговый ток | ИТХ | CW | - | 15 | 40 | мА |
| LD Прямой ток | Если | Pf = номинальная мощность | - | 300 | 400 | мА |
| Оптическая изоляция | - | -10 < ТК < +70 ℃ | 30 | - | - | дБ |
| Коэффициент подавления боковой моды | СМСР | CW | 35 | 40 | - | дБ |
| Отслеживайте оперативность | Я / Пф | - | - | 1 | 20 | мкА/мВт |
| Следите за стабильностью отклика | - | - | - | - | 20% | - |
| Мониторинг темнового тока | Идентификатор | ВПД =5В | - | - | 50 | нет данных |
| ТЕС Ток | ИТЭК | Тслучай =75℃ | - | - | 2 | A |
| ТЭК Напряжение | ВТЭК | Тслучай =75℃ | - | - | 3.5 | V |
| Потребляемая мощность ТЭК | P | Цстг = 25 ℃ | - | - | 5 | W |
| Сопротивление термистора | Рт | Тслучай =75℃ | 9.5 | 10 | 10.5 | Ком |
| Константа термистора B | Бт | Цстг = 25 ℃ | - | 3900 | - | K |
| Дрейф длины волны (EOL) | △λ | Протестировано в течение 25 лет срока службы | - | - | ±0,1 | нм |
| Волна. Температурный коэффициент | Δλ/ΔТ | Температура TEC от 15 ℃ до 35 ℃ | - | 0.09 | - | нм/℃ |
| Коэффициент тока длины волны | Δλ/ΔΙ | - | - | 0.01 | - | нм/мА |

Все продукты были протестированы перед отправкой;
Вся продукция имеет гарантию 1-3 года. (После гарантийного срока качества начала взиматься соответствующая плата за техническое обслуживание.)
Мы ценим ваш бизнес и предлагаем мгновенный возврат в течение 7 дней. (7 дней после получения товара);
Если товары, которые вы покупаете в нашем магазине, не имеют идеального качества, то есть не работают в электронном виде в соответствии со спецификациями производителя, просто верните их нам для замены или возврата денег;
Если товар неисправен, пожалуйста, сообщите нам в течение 3 дней с момента доставки;
Любые товары должны быть возвращены в их первоначальном состоянии, чтобы иметь право на возврат средств или замену;
Покупатель несет ответственность за все расходы по доставке.
Вопрос: Какова точность длины волны?
А: +/-0,5 нм.
Вопрос: Есть ли у вас другие версии выходной мощности?
А: 10 МВт, 15 МВт, 50 МВт.
лазер-бабочка 1512nm 10mW DFB 14PIN для обнаружения NH3
лазерный диод бабочки 1392нм ДФБ для воспринимать влаги Х2О
Лазерный диод-бабочка 1653 нм DFB для обнаружения CH4
Лазерный диод бабочки DFB 1567 нм для обнаружения CO
лазерный диод 1578нм 10мВ ДФБ для обнаружения сероводорода
Лазерный диод бабочки 1580nm DFB для обнаружения CO2Copyright @ 2020 Shenzhen Box Optronics Technology Co., Ltd. - Китайские оптоволоконные модули, производители волоконно-оптических лазеров, поставщики лазерных компонентов. Все права защищены.