Продукты

Лазерный диод Фабри Перо FP, 850 нм, с оптоволокном
  • Лазерный диод Фабри Перо FP, 850 нм, с оптоволокном Лазерный диод Фабри Перо FP, 850 нм, с оптоволокном
  • Лазерный диод Фабри Перо FP, 850 нм, с оптоволокном Лазерный диод Фабри Перо FP, 850 нм, с оптоволокном
  • Лазерный диод Фабри Перо FP, 850 нм, с оптоволокном Лазерный диод Фабри Перо FP, 850 нм, с оптоволокном
  • Лазерный диод Фабри Перо FP, 850 нм, с оптоволокном Лазерный диод Фабри Перо FP, 850 нм, с оптоволокном
  • Лазерный диод Фабри Перо FP, 850 нм, с оптоволокном Лазерный диод Фабри Перо FP, 850 нм, с оптоволокном

Лазерный диод Фабри Перо FP, 850 нм, с оптоволокном

Многопродольный лазерный диод Фабри-Перо (FP) с длиной волны 850 нм, имеющий стандартный пакет «бабочка» со встроенным контролем температуры TEC и контролем частичного разряда, обеспечивающий стабильный и надежный оптический выходной сигнал.

Отправить запрос

Описание продукта

Многопродольный лазерный диод Фабри-Перо (FP) с длиной волны 850 нм, имеющий стандартный пакет «бабочка» со встроенным контролем температуры TEC и контролем частичного разряда, обеспечивающий стабильный и надежный оптический выходной сигнал.


Функции

14-контактный пакет «Бабочка»;

Встроенный термистор и ТЭК;

Тип волокна может быть волокном SM630-HP;

Рабочая температура:-20~ +70℃.


Приложения

Оптический прибор;

Лазерный источник.


Электрооптические характеристики (Т=25℃)

Параметр Символ Состояние Мин. Тип. Макс. Единица
Рабочая длина волны λc по часовой стрелке, 25℃ 840 850 860 нм
Оптическая выходная мощность ПФ - 30 - - мВт
Пороговый ток ИТХ 25℃ - 10 35 мА
Рабочий ток ВГД CW - 255 275 мА
Рабочее напряжение ВОП 25℃ - 2.1 2.3 V
Мониторинг тока ИМОН ВРМ = 5 В 50 - 1500 мкА
MPD Темновой ток ИДЕНТИФИКАТОР ВРМ = 5 В - - 50 мкА
Сопротивление термистора РУТ 25℃ 9.5 10 10.5 кОм
Значение B термистора β 25℃/80℃ - 3950 - K


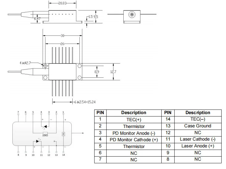
Чертеж упаковки и определение PIN-OUT (единица измерения: мм)

850nm Fabry Perot Fp Fiber Coupled Laser Diode


Доставка, доставка и обслуживание

Все продукты были протестированы перед отправкой;

Вся продукция имеет гарантию 1-3 года. (После гарантийного срока качества начала взиматься соответствующая плата за техническое обслуживание.)

Мы ценим ваш бизнес и предлагаем мгновенный возврат в течение 7 дней. (7 дней после получения товара);

Если товары, которые вы покупаете в нашем магазине, не имеют идеального качества, то есть не работают в электронном виде в соответствии со спецификациями производителя, просто верните их нам для замены или возврата денег;

Если товар неисправен, пожалуйста, сообщите нам в течение 3 дней с момента доставки;

Любые товары должны быть возвращены в их первоначальном состоянии, чтобы иметь право на возврат средств или замену;

Покупатель несет ответственность за все расходы по доставке.

850nm Fabry Perot Fp Fiber Coupled Laser Diode


Часто задаваемые вопросы

Вопрос: Есть ли подходящий лазерный драйвер?

А: Да. Мы также можем объединить диод и драйвер в модуль лазерного источника.


Вопрос: Есть ли у вас лазер FP другой длины волны?

О: Да, 488 нм/520 нм/532 нм/660 нм/850 нм/1064 нм... Пожалуйста, свяжитесь с нами для получения более подробной информации.


Горячие Теги: Лазерный диод Фабри Перо FP с волоконной связью 850 нм, производители, поставщики, оптовая торговля, фабрика, по индивидуальному заказу, оптом, Китай, сделано в Китае, дешево, низкая цена, качество

Связанная категория

Отправить запрос

Пожалуйста, не стесняйтесь дать свой запрос в форме ниже. Мы ответим вам в течение 24 часов.
X
Мы используем файлы cookie, чтобы предложить вам лучший опыт просмотра, анализировать трафик сайта и персонализировать контент. Используя этот сайт, вы соглашаетесь на использование нами файлов cookie. политика конфиденциальности
Отклонять Принимать